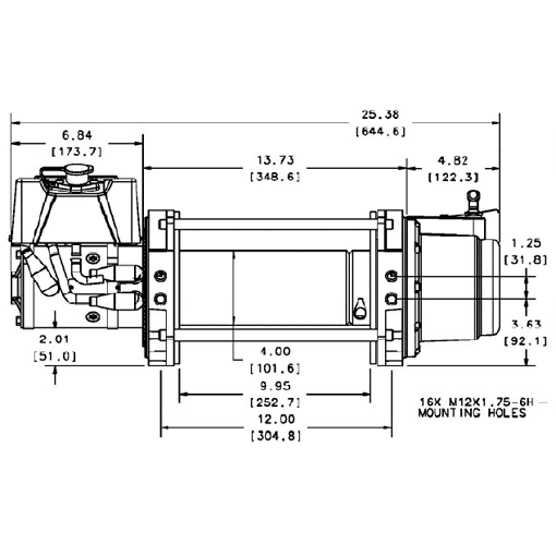
Warn Industrial Dc Hoist 9000lbs Series 9 Dc
Industrial Grade Winch Pulls up to 9,000 lbs.
- Dependable high-torque series-wound electric motor, available in 12 or 24V configurations
- SAE J706-compliant disc brake designed for extended power-out use
- Rugged 32′ (10 m) industrial remote control
- Higher gear ratio for fastest line speed
- Weatherproof industrial contactor control pack
- Thermal protection device protects motor from overheating
- Wire rope, roller fairlead, and tensioner sold separately


